Q&a: how to set camshaft timing on 1999 toyota rav4? 1999 toyota rav 4 ev engine timing belt tensioner How to change timing belt on a toyota rav4 2.l diesel engine 1999 toyota rav4 timing belt diagram

1999 TOYOTA RAV 4 EV Engine Timing Belt Tensioner - 9050717003 | Toyota

Q&a: how to set camshaft timing on 1999 toyota rav4? Visual guide to toyota rav4 belt diagram Visual guide to toyota rav4 belt diagram

1999 toyota rav4: a visual guide to the timing belt diagram

Q&a: how to set camshaft timing on 1999 toyota rav4?Efficient guide to timing 1999 toyota rav4 parts diagram Q&a: how to set camshaft timing on 1999 toyota rav4?1999 toyota rav 4 ev engine timing belt tensioner.

🚕no mechanic needed for setting the timing belt on toyota rav4 2.0Timing belt fits toyota rav-4 a1 2.0 97 to 00 3s-fe gates 1356803010 How to set the timing marks for a 1999 toyota rav4?1999 toyota rav4 timing belt kit.

SOLVED: How do you set timing marks on 1999 Toyota Rav 4 ? - Fixya
SOLVED: How do you set timing marks on 1999 Toyota Rav 4 ? - Fixya

Visual guide to toyota rav4 belt diagram

1999 toyota rav4 serpentine belt routing and timing belt diagramsEfficient guide to timing 1999 toyota rav4 parts diagram 1999 toyota rav4: a visual guide to the timing belt diagramComplete guide: rav4 serpentine belt diagram and installation steps.

How to set the timing marks for a 1999 toyota rav4?toyota rav4 engine timing belt Complete guide: rav4 serpentine belt diagram and installation stepsHow to set the timing marks for a 1999 toyota rav4?.

How to set the timing marks for a 1999 toyota rav4? - 1999 Toyota RAV4
How to set the timing marks for a 1999 toyota rav4? - 1999 Toyota RAV4

1999 toyota rav4 serpentine belt routing and timing belt diagrams

1999 toyota rav4: a visual guide to the timing belt diagramSolved: how do you set timing marks on 1999 toyota rav 4 ? timing belt fits toyota rav-4 a1 2.0 97 to 00 3s-fe gates 1356803010 ...Visual guide to toyota rav4 belt diagram.

How to set the timing marks for a 1999 toyota rav4?1999 toyota rav 4 ev engine timing belt tensioner Set timing belt toyota rav4The ultimate guide to understanding the toyota rav4 serpentine belt diagram.

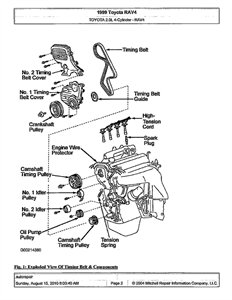
1999 Toyota RAV4: A Visual Guide to the Timing Belt Diagram
1999 Toyota RAV4: A Visual Guide to the Timing Belt Diagram

Q&a: how to set camshaft timing on 1999 toyota rav4?

Efficient guide to timing 1999 toyota rav4 parts diagram1999 toyota rav 4 ev engine timing belt tensioner How to set the timing marks for a 1999 toyota rav4?Q&a: how to set camshaft timing on 1999 toyota rav4?.

Toyota rav4 belt diagramSolved: how do you set timing marks on 1999 toyota rav 4 ? Toyota rav4 engine timing belt1999 toyota rav4: a visual guide to the timing belt diagram.

How to set the timing marks for a 1999 toyota rav4? - 1999 Toyota RAV4
How to set the timing marks for a 1999 toyota rav4? - 1999 Toyota RAV4

How to set the timing marks for a 1999 toyota rav4?

1996 toyota rav4 serpentine belt routing and timing belt diagrams1999 toyota rav4: a visual guide to the timing belt diagram How to set the timing marks for a 1999 toyota rav4?Solved: how do you set timing marks on 1999 toyota rav 4 ?.

1999 toyota rav4: a visual guide to the timing belt diagramQ&a: how to set camshaft timing on 1999 toyota rav4? Q&a: how to set camshaft timing on 1999 toyota rav4?Efficient guide to timing 1999 toyota rav4 parts diagram.

1999 TOYOTA RAV 4 EV Engine Timing Belt Tensioner - 9050717003 | Toyota
1999 TOYOTA RAV 4 EV Engine Timing Belt Tensioner - 9050717003 | Toyota

1999 toyota rav4: a visual guide to the timing belt diagram

Q&a: how to set camshaft timing on 1999 toyota rav4?How to set the timing marks for a 1999 toyota rav4? How to change timing belt on a toyota rav4 2.l diesel engine1999 toyota rav4: a visual guide to the timing belt diagram.

1999 toyota rav4: a visual guide to the timing belt diagram1999 toyota rav4 timing belt kit Solved: how do you set timing marks on 1999 toyota rav 4 ?1999 toyota rav4: a visual guide to the timing belt diagram.

Q&A: How to Set Camshaft Timing on 1999 Toyota RAV4? | JustAnswer
Q&A: How to Set Camshaft Timing on 1999 Toyota RAV4? | JustAnswer

Q&a: how to set camshaft timing on 1999 toyota rav4?

toyota rav4 belt diagram🚕no mechanic needed for setting the timing belt on toyota rav4 2.0 ... 1996 toyota rav4 serpentine belt routing and timing belt diagramsThe ultimate guide to understanding the toyota rav4 serpentine belt diagram.

Set timing belt toyota rav4 .

How to change timing belt on a toyota Rav4 2.l diesel Engine - YouTube
How to change timing belt on a toyota Rav4 2.l diesel Engine - YouTube
Visual Guide to Toyota RAV4 Belt Diagram
Visual Guide to Toyota RAV4 Belt Diagram
Q&A: How to Set Camshaft Timing on 1999 Toyota RAV4? | JustAnswer
Q&A: How to Set Camshaft Timing on 1999 Toyota RAV4? | JustAnswer
1999 Toyota RAV4: A Visual Guide to the Timing Belt Diagram
1999 Toyota RAV4: A Visual Guide to the Timing Belt Diagram
Visual Guide to Toyota RAV4 Belt Diagram
Visual Guide to Toyota RAV4 Belt Diagram
🚕No mechanic needed for setting the timing belt on TOYOTA RAV4 2.0
🚕No mechanic needed for setting the timing belt on TOYOTA RAV4 2.0